主要特徵
| 產品說明 | |
| |
| 產品規格 | |
|

線下訂購支付細節
影片
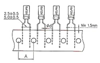
帶式電容裁斷機
Loading ...
The purpose of Slider Kit is to gather common slideshow-like jQuery functionalities (such as news sliders, photos galleries/sliders, carousels, tabs menus)
When tracking mouse movement, you usually need to know the actual position of the mouse pointer. The event object that is passed to the handler contains some information about the mouse coordinates.